您的位置>> 首页>> 产品展示>> GP、WY系列磁性回油滤油器(传统型)
GP、WY系列磁性回油滤油器(传统型)

GP、WY系列磁性回油滤油器(传统型)


GP、WY系列磁性回油滤油器(传统型)

GP、WY系列磁性回油滤油器(传统型) 

简介:该滤油器仅一小部分的滤头连接部分露在油箱外,其余大部分都在油箱内部,从而简化系统管路,安装方便,系统排列紧凑美观。在结构上我们改进了原来管路回油过滤器的庞大结构,考虑到液压系统内产生的铁磁性污染物,所以在回油精过滤前,先经强磁铁进行磁性过滤,然后再经二级精密过滤。
这种过滤器设有滤芯污染堵塞发讯和忧虑旁通阀,当回油压力达到0.35Mpa时,发讯器发出开关信号或报警,还可直接从发讯器的表盘上读出回油压力值,以提示操作人员及时更换滤芯,保证系统油液的清洁度。更换滤芯只需旋开过滤器端盖即可。当回油压力上升至0.4Mpa时,WY滤油器内的旁通阀便自动卸荷,以避免回油压力过高造成整个系统工作性能不良。

型号说明

液压过滤器型号说明

技术参数

液压过滤器技术参数

注:※为过滤精度,若使用介质为水、乙二醇,带发讯器,则过滤器型号为GP·BH-A400×※Q2Y:WY·BH-A400×※Q2Y,滤芯型号为:GP·BH400×※Q2:WY·BH-A400×※Q2。

连接尺寸

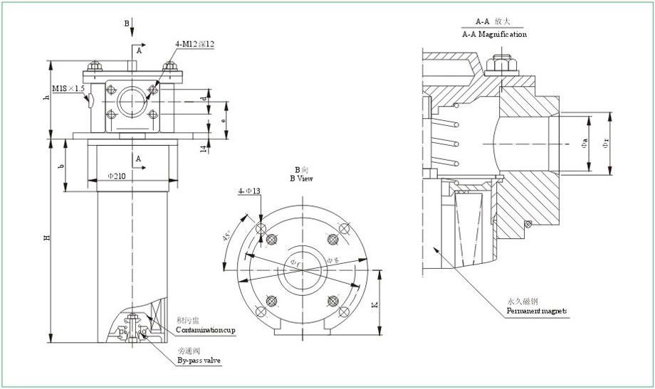
GP系列
 GP系列液压过滤器连接尺寸
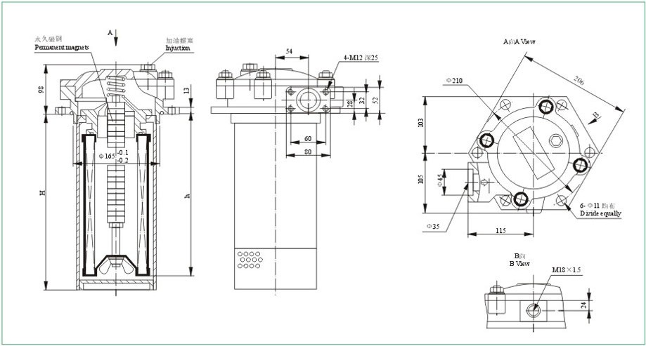
WY系列
 WY系列液压过滤器连接尺寸

 


上一篇:液压过滤器-XU系列线隙式吸油滤油器   下一篇:液压过滤器-WU系列(网式)吸油滤油器


<关闭>