您的位置>> 首页>> 产品展示>> ZU-H.QU-H、WU-H系列压力管路滤油器
ZU-H.QU-H、WU-H系列压力管路滤油器

ZU-H.QU-H、WU-H系列压力管路滤油器


简介

 ZU-H.QU-H、WU-H系列压力管路滤油器

介绍:该滤油器一般安装在液压系统的压力管路中,用以滤除油液中混入的机械杂质及各液压元件在工作中因磨损所产生的杂质,从而达到液压系统中各元件的正常工作,延长液压元件的使用寿命。该滤油器具有过滤效果好、精度高、通油能力大、原始压力损失小、纳污量大等特点,单堵塞后清洗比较困难,必要时须更换滤芯。该滤油器设有压差发讯装置。当滤芯堵塞到进出油口压差为0.35MPa时,发讯器会自动发出信号,此时应清洗或更换滤芯,如果此时不能立即停机或无人处理故障,当压差升至0.4MPa时旁通阀便会自动开启另开油路,以避免损坏滤油器,确保系统的正常工作。

型号说明

ZU-H.QU-H、WU-H系列压力管路滤油器型号说明

技术参数

ZU-H.QU-H、WU-H系列压力管路滤油器技术参数

外型安装尺寸

1、螺纹连接

螺纹连接

注:原流量为10L/min的ZU-H10×※S压力管路过滤器,除进出油口螺纹尺寸由2-M18×1.5改为2-M27×2外,其余不变。2-M18×1.5属特殊订货,型号为ZUT-H10×※;原流量为25L/min的ZU-H25×※S压力管路过滤器,除进出油口螺纹尺寸由2-M18×1.5改为2-M27×2外,其余不变。2-M18×1.5属特殊订货,型号为ZUT-H25×※

2、法兰连接
 法兰连接
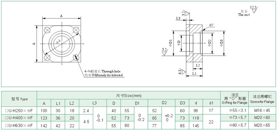
3、连接法兰请用户参照下列尺寸加工
 连接法兰请用户参照下列尺寸加工
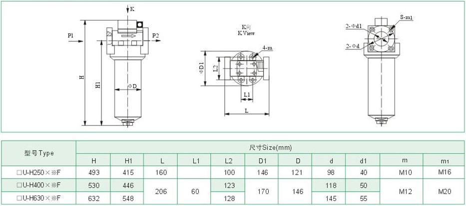
4、板式
 ZU-H.QU-H、WU-H系列压力管路滤油器板式
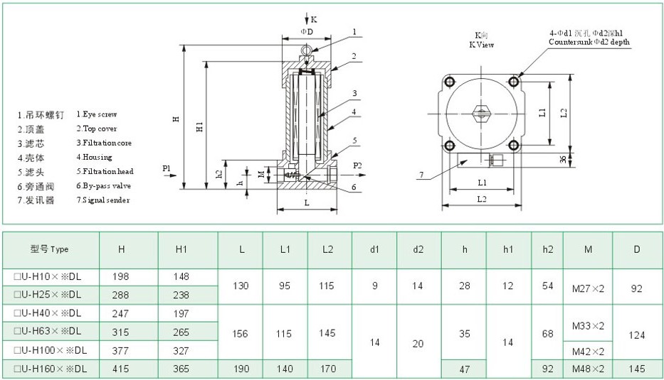
5、倒装管式
 倒装管式
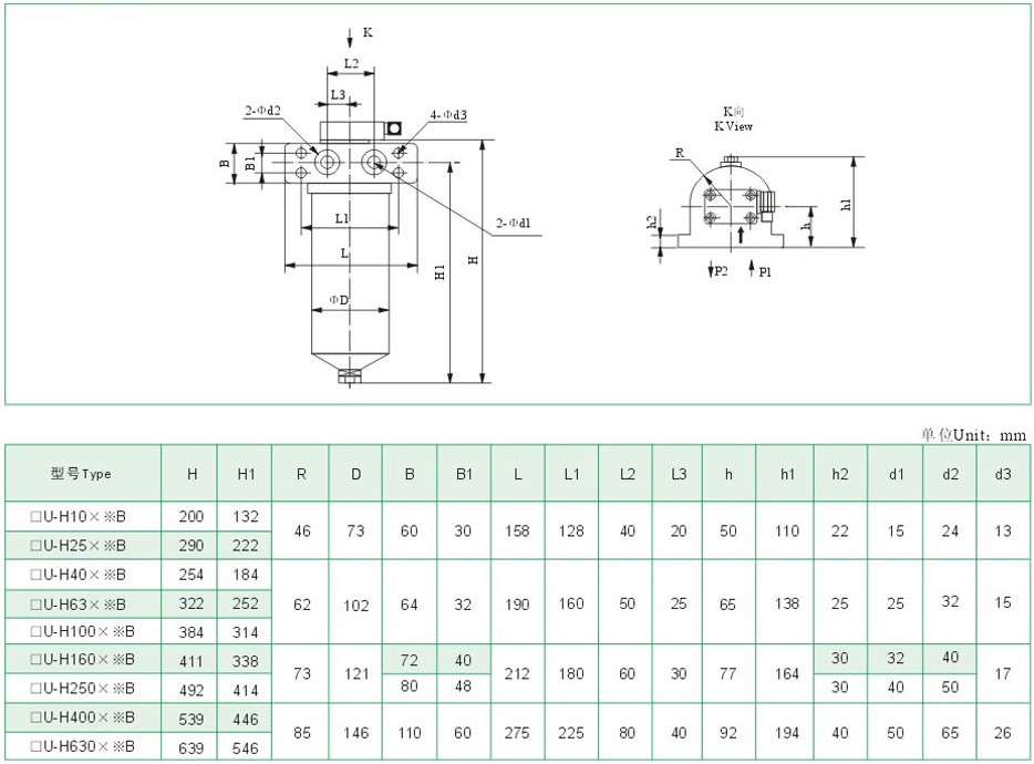
6、倒装法兰式
 倒装法兰式
7、倒装法兰式A型
 倒装法兰式A型
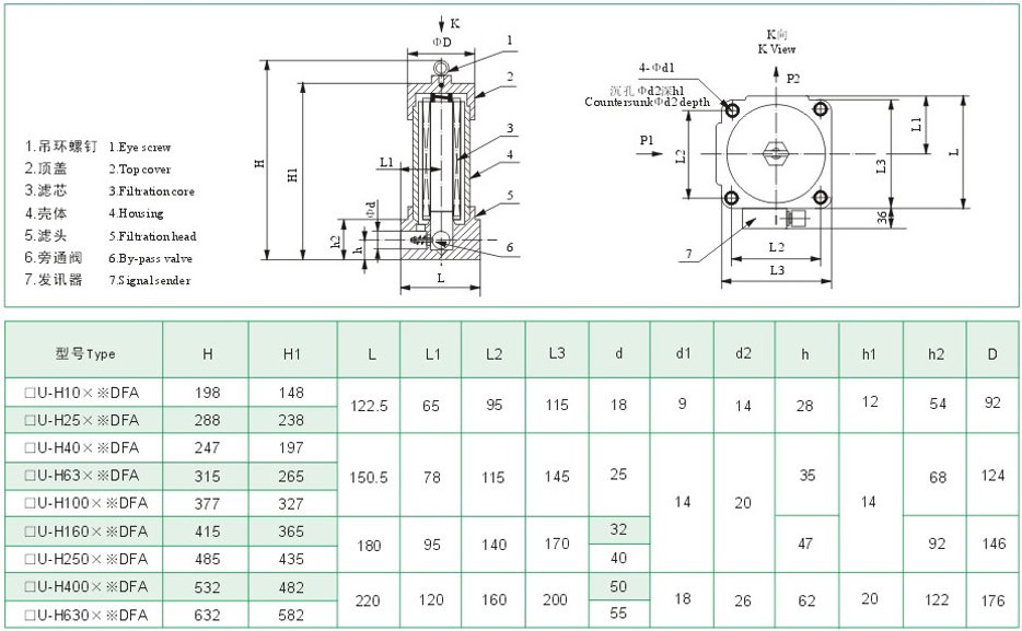
8、倒装法兰式B型
 倒装法兰式B型
9、倒装板式
 倒装板式
10、DF、DFA、DFB连接法兰。请用户参照下列尺寸加工
 DF、DFA、DFB连接法兰

配套滤芯及“O”型圈表

ZU-H.QU-H、WU-H系列压力管路滤油器圈表

配套滤芯尺寸

ZU-H.QU-H、WU-H系列压力管路滤油器滤芯尺寸


上一篇:DRLF系列大流量回油过滤器   下一篇:ZU-A、QU-A、WU-A、XU-A系列管路回油滤油器


<关闭>